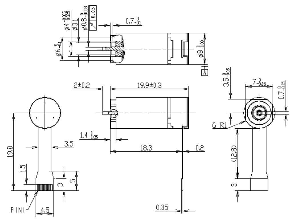
Φ8mm无刷空心杯电机(MC0820)
产品型号:MC0820
直径(mm):8
长度(mm):20
额定电压(V):5
额定转速(rpm):15000
堵转转矩(mNm):1.08
堵转电流(A) :0.52
转矩常数(mNm/A):2.4
速度常数(rpm/V) :4000
输出轴直径(mm):0.8
电机参数
| 电机数据(额定值) | |
|---|---|
| 额定电压(V) | 5 |
| 空载转速(rpm) | 18000 |
| 空载电流(A) | 56 |
| 额定转速 (rpm) | 15000 |
| 额定转矩(mNm) | 0.18 |
| 额定电流(A) | 0.13 |
| 堵转转矩(mNm) | 1.08 |
| 堵转电流(A) | 0.52 |
| 最大效率(%) | 45 |
| 电机常数(额定值) | |
|---|---|
| 相间电阻(Ω) | 9.7 |
| 相间电感(mH) | 0.14 |
| 转矩常数(mNm/A) | 2.4 |
| 速度常数(rpm/V) | 4000 |
| 转速/转矩斜度(rpm/mNm) | 16623 |
| 机械时间常数(ms) | 1.54 |
| 转子惯量(gcm2) | 0.01 |
| 热参数 | |||
| 机壳-环境热阻(K/W) | / | ||
| 绕组-机壳热阻(K/W) | / | ||
| 绕组热时间常数(s) | / | ||
| 电机热时间常数(s) | / | ||
| 环境温度(℃) | ?? -20…+100 | ||
| 最高绕组温度(℃) | 125 | ||
| 机械参数(滚珠轴承) | |||
| 最大允许转速(rpm) | 40 000 | ||
| 最大轴向间隙(mm) | < 0.15 N? 0 | ||
| ?> 0.15 N? 0.06(max) | |||
| 径向间隙 | ?preloaded | ||
| 最大轴向动态载荷(N) | 2 | ||
| 最大允许安静态装力(N) | 10 | ||
| 最大径向载荷,距离法兰处2mm处(N) | 5 | ||
| 端子型号 | |||
| Molex 52745-1297 |
设计图纸

















查看详情

Φ8mm无刷空心杯电机(MC0820)规格书
